Caracterización de los motores paso a paso y su aplicación

Characterization of stepper motors and their application

Acosta Robert 1, Argüello David2, Robalino Rodney3, Marrero Secundino4

RESUMEN:

El presente trabajo constituye una revisión bibliográfica realizada sobre los motores paso a paso, donde se definen los principales conceptos asociados a esta máquina, su funcionamiento, características constructivas y las aplicaciones más importantes dentro de la industria robótica. De igual manera se muestra la clasificación de estas máquinas atendiendo a las dos principales categorías que existen en la actualidad, que son los motores de imán permanente y los de reluctancia variable. También se hace referencia a la variante que combina ambas categorías, a los que se les denomina híbridos al presentar las mejores características de los de reluctancia variable y de imán permanente, que se construyen con estatores multidentados y un rotor de imán permanente. Dentro de las principales aplicaciones se muestran su uso en los equipos de embalaje, montaje, mesas giratorias y robótica entre otros.

Palabras clave:Automatización, temperatura, humedad, tecnología, monitoreo

ABSTRACT:

The present work constitutes a bibliographic review carried out on stepper motors, where the main concepts associated with this machine, its operation, construction characteristics and the most important applications in the industry are defined. In the same way, the classification of these machines is shown according to the two main categories that currently exist, which are permanent magnet motors and variable reluctance motors. Reference is also made to the variant that combines both categories, which are called hybrids as they present the best characteristics of those with variable reluctance and permanent magnet, which are built with multi-tooth stators and a permanent magnet rotor. Among the main applications are its use in packaging equipment, assembly, rotary tables and robotics, among others.

Keywords: Automation, temperature, humidity, technology, monitoring

Recibido 3 de julio de 2021; revisión aceptada 4 de octubre de 2021


1Universidad SEK, Quito, Ecuador. rlacosta.mee@uisek.edu.ec

2Universidad SEK, Quito, Ecuador. daarguello.mee@uisek.edu.ec

3Universidad SEK, Quito, Ecuador. rjrobalino.mee@uisek.edu.ec

4Universidad Técnica de Cotopaxi, Latacunga, Ecuador. secundino.marrero@utc.edu.ec

1. INTRODUCCIÓN

La invención de los motores paso a paso (PaP) se remonta a los primeros decenios del siglo anterior. En aquel entonces se buscaba una solución eléctrica a los relojes, con el fin de que fuesen más precisos y tener que darle cuerda diariamente.

Los motores paso a paso, se caracterizan por tener una elevada capacidad de posicionamiento y esto hace que sean ideales en sistemas donde se requiera grandes precisiones en los movimientos, por ser un dispositivo electromecánico que convierte una serie de impulsos eléctricos en desplazamientos angulares discretos. Ello significa que puede girar una cantidad de grados (paso o medio paso) dependiendo de sus entradas de control. Esta máquina se comporta de la misma manera que un conversor digital-analógico (D/A) y puede ser controlado por impulsos procedentes de sistemas digitales [1].

2. MATERIALES MÉTODOS

Un motor PaP se puede definir como un conversor electromagnético incremental que transforma pulsos eléctricos en movimientos angulares de un eje. Este movimiento angular, se repite exactamente con cada pulso sucesivo que el circuito de control inyecta al motor. [2], [3]

Como resultado, los motores PaP poseen una elevada capacidad de posicionamiento y esta característica los hace ideales para sistemas que requieran un control exacto de dirección, velocidad y posición de un movimiento.

El error del tipo sistemático que presentan, es su propio error de paso, que está en el orden del 5% aproximadamente. Este error no se acumula, no depende del ángulo total girado ni del número de veces que se repita la posición final.

Los motores PaP cuentan básicamente con tres secuencias de giro: excitación por bobina simple, por bobina doble y la de medios pasos.

1. La secuencia de excitación por bobina doble que provee mayor torque que la de bobina simple, resultando ambas en un movimiento angular igual al paso del motor.

2. La secuencia de medios pasos, alterna las secuencias de excitación por bobina simple y por bobina doble. De esta manera, se obtiene mayor precisión en los movimientos ya que permite movimientos cada medio ángulo de paso.

3. En sistemas donde se necesite todavía mayor precisión, se recurre a una técnica denominada micropasos, que consiste en que el motor alcance posiciones intermedias entre un paso y un medio paso.


De esta manera, en un motor de 1,8° por paso, por ejemplo, realizando 8 micropasos por paso se podría obtener, movimientos cada 0,225°. La técnica de micropasos trae aparejado otras ventajas tales como reducción de los problemas de resonancia y mejora en la velocidad de rotación. También tiene limitaciones físicas por problemas de linealidad y fricción estática del dispositivo mecánico. Un motor PaP de dos fases, tiene dos bobinas dispuestas en forma tal que producen dos flujos magnéticos a 90° geométricos uno respecto del otro tal como lo indica la figura 1.

1_Esquema_bocinas_motor_PaP_bipolar.jpg

Figura. 1. Esquema de la disposición de las bobinas de un motor PaP bipolar de dos fases.

El esquema de comportamiento en un motor real puede apreciarse en las figuras 2, 3 y 4. Donde al energizar la bobina 1, el rotor del motor llega a una posición de equilibrio alineándose con el campo magnético generado por dicha bobina. Si referenciamos los arrollamientos a un par de ejes XY y tomamos a esta posición de equilibrio como inicial, se dice que el motor se encuentra en posición de equilibrio a 0° (Fig. 2). [2]

2_Motor_PaP_2_fases_excitado_bobina.jpg

Figura 2. Motor PaP de dos fases excitado por bobina en posición de equilibrio a 0°.

Al excitar la segunda bobina, el campo resultante gira 90° geométricos, con lo cual, el rotor realiza un desplazamiento angular igual al paso “P” que se observa en la Figura. 3.

3_Motor_PaP_2_fases_rotado.jpg


Figura 3. Motor PaP de dos fases rotado a un paso de la posición de equilibrio a 0°.

El flujo magnético entre el rotor y el estator originan fuerzas que tienden a mantener al rotor en posición de equilibrio en cada paso del motor. Cunado excitamos las dos bobinas en forma simultánea, el rotor intentará alinearse con los dos campos magnéticos generados y debido a la naturaleza vectorial de los mismos, encontrará una posición de equilibrio en dirección al vector resultante de los dos campos (Fig. 4). [3]

4_Motor_paso_paso_excitado_2_bobinas_simultanea.jpg

Figura 4. Motor paso a paso excitado por dos bobinas en forma simultánea.


Aunque estos tipos de motores suelen ser costoso, son muy usados en las impresoras de matriz de punto como es el caso del motor Epson de la figura 5

5_Motor_paso_paso_Epson.jpg

Figura 5. Motor paso a paso (Epson)

El principio de funcionamiento de este tipo de motor consiste en alimentar de manera secuencial cada uno de los cuatro bobinados que presenta en su interior. Posee cinco terminales, uno de los cuales corresponde al común y va conectado a +24V. La idea es mantener uno de los cuatro terminales restantes conectado a la tierra del circuito, con los otros tres alimentados con +24V, realizando una rotación ordenada de la conexión a cero voltios.

Por cada cambio en el terminal conectado a tierra, se presentará en el motor un giro o paso, el cual, para el modelo seleccionado, corresponde a 1. 8º. Este sistema de rotación de terminales permite un movimiento suave del rotor durante su trabajo, lo que es bastante prioritario en muchas aplicaciones. Sin embargo, al mantener solo un bobinado energizado a la vez, presentará un torque final relativamente bajo. Por ello existe otro modo de operación conocido como Half Step, en el cual primero se activan dos bobinas, luego solo una y así sucesivamente. En este modo se obtiene un movimiento de 0. 9º por paso y un torque mucho mayor, pero con un movimiento más brusco en el rotor, lo que se convierte en desventaja para la aplicación.

Por esta razón el modo de operación escogido para el control de posición en el caso [4] fue el Wave Drive, el cual, presenta una menor resolución (1. 8º). Esta desventaja se evidencia en la observación a medida que el astrónomo incrementa la imagen del telescopio, pues el campo de visión se reducirá y, por ende, el número de grados que el rotor cubre en un paso debe disminuir notablemente. En estos casos, se recomienda adquirir un motor de mayor resolución, de tal forma que el cambio entre un paso y otro no afecte la imagen fotográfica capturada.

2.1. TIPOS DE MOTORES

Existen dos tipos de motores PaP:

· Motor de reluctancia conmutado

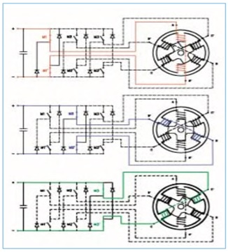
El motor de reluctancia auto conmutado es un accionamiento de corriente continua sin escobillas y sin imanes permanentes, que está constituido por una estructura magnética con polos salientes tanto en el estator como en el rotor [3]. Donde en los polos del estator se ubican bobinas concentradas y conectadas entre sí en serie, a pares diametralmente opuestos, formando las fases del motor. La conmutación de las corrientes en las fases se realiza mediante un convertidor estático de potencia, en el que la secuencia de conmutación de los interruptores de estado sólido que lo componen se controla por la posición del rotor a través de sensores ópticos o magnéticos
(figura 6). [3]

6_Estructura_polos_salientes.jpg

Figura 6. Estructura de polos salientes de un motor de reluctancia auto conmutado.

En la figura 7 se muestra la secuencia de conmutación de las fases del estator de un motor de reluctancia auto conmutado de tres fases, m=3, con seis polos en el estator, Ne =6, y cuatro polos en el rotor, Nr=4. Las fases en conducción se han representado con trazo de color, mientras que las que no lo están se muestran en trazo discontinuo. [3].

7_Conmutacion_fases_estator.jpg

Figura 7. Conmutación de las fases del estator en función de la posición del rotor.

El principio de funcionamiento del motor de reluctancia conmutado, que en muchas publicaciones aparece bajo el nombre de “Switched - Reluctance Motor”, se compone de un eje de hierro que puede girar apoyado sobre unos rodamientos, o los dientes de un rotor de hierro que se orientan en un campo magnético producido gracias a una corriente eléctrica en los polos del estator. Mediante una conmutación del campo magnético se conseguirá un movimiento rotatorio del núcleo de hierro. [5]

En el caso de que este rotor posea más dientes, se puede comparar su forma a la de una rueda dentada de gran espesor. El concepto “Reluctancia” se corresponde con la resistencia magnética, la cual opone dicho rotor al campo electromagnético. La generación y posterior conmutación del campo magnético se efectúa en los bobinados de los polos de la parte fija de la máquina a través de la electrónica de potencia conectada al motor. Con la electrónica de potencia, a través del convertidor de corriente y frecuencia, se puede influir de la manera deseada tanto en las revoluciones como en el par de giro del motor. Los motores de reluctancia conmutados (Fig. 8) pueden ser realizados para accionamientos muy pequeños y de gran porte. [5]

8_Corte_tramsversal_motor_reluctancia.jpg

Figura 8. Corte transversal de un motor de reluctancia conmutado.

Al contrario que en los motores asíncronos, las pérdidas en el hierro en el motor de reluctancia conmutado suponen una parte importante de las pérdidas totales. Sin embargo, para regímenes de revoluciones bajos el valor de estas pérdidas en el hierro disminuye significativamente. Este efecto puede ser aprovechado para lograr un mayor par motor a bajas velocidades. [6]

Además, se producen en el rotor escasas pérdidas en el hierro para bajas revoluciones funcionando en régimen permanente y esto hace que el calentamiento del rotor sea bajo.

3. APLICACIONES

3.1. Motor de reluctancia

En 1838 apareció el primer motor de reluctancia utilizada en una locomotora en la línea férrea entre Glasgow y Edimburgo, con el pasar de los años a finales de la década de los 70 comienza la era moderna del motor de reluctancia auto conmutado utilizándose en el sector electrodoméstico para la lavadora MAH400 y en la climatización. También es utilizado en la tracción eléctrica [7] de vehículos eléctricos, en los accionamientos industriales, en equipos de bombeo de la planta de tratamiento de aguas y en centrifugadoras de alta velocidad y elevada eficiencia.El motor de reluctancia auto conmutado, por su mayor eficiencia y alta densidad de potencia, mejor disipación de calor y una mayor vida útil es uno de los mejores candidatos en accionamientos de media potencia (500-2000W) operando en el estándar automotriz de 42V. [8], [9]

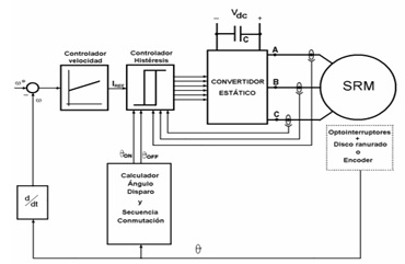
En ciertas aplicaciones, una falla en un accionamiento puede provocar paros en la producción e incluso graves problemas de seguridad (industria automotriz y aeroespacial), en estas aplicaciones es muy útil utilizar accionamientos con motor de reluctancia auto conmutado (SRM), es una máquina simplemente excitada, por lo tanto, la corriente de falla no continúa circulando en la fase dañada una vez que se elimina la excitación de dicha fase. Así cuando es identificada y despejada la falla, el accionamiento puede continuar funcionando y mantener la carga dejando sin servicio la fase afectada. El motor de reluctancia es trifásico con seis polos en el estator y cuatro en el rotor, el convertidor de potencia a utilizar es un convertidor asimétrico como el que muestra en la figura 9 .

El accionamiento SRM se ha destacado en aplicaciones de velocidad variable tolerante a fallas por tener un buen comportamiento en régimen permanente a que una vez que es aislada la falta ha de funcionar con una fase abierta. [9]

9_Diagrama_bloques_SRM.jpg

Figura 9 Diagrama de Bloques del SRM.

3.2. Motor unipolar.

El uso de la fotografía en astronomía, está fuertemente ligada a la perfección mecánica en las estructuras sobre las cuales reposan los telescopios, la montura del telescopio debe estar en capacidad de realizar una ubicación del instrumento en cualquier posición, para lo cual se utiliza un sistema eléctrico de movimiento construido con motores paso a paso de la marca permitiendo obtener una resolución de hasta 0. 9º por paso del eje del motor. El motor utilizado es estos equipos es un motor unipolar de voltaje nominal de 24V y una corriente de 1,4A, su funcionamiento consiste en alimentar de manera secuencial cada uno de los cuatro bobinados que presenta en su interior, posee cinco terminales, uno de los cuales corresponde al común y va conectado a +24V; además de un circuito de potencia que sirve de interfaz entre el micro controlador y el motor. [4]

Motor de PaP empleado en el seguimiento solar.

La conversión de energía solar es uno de los aspectos más importantes en energías renovables. Existen diversas formas de realizar esta transformación, una de ellas consiste en convertir la energía solar en energía térmica, utilizando concentradores solares; estos concentradores pueden ser de tipo lineal Fresnel donde los reflectores son cilindros parabólicos pero de baja curvatura, se instalan a nivel bajo de piso y siguen la trayectoria aparente del sol a una velocidad de una vuelta cada 48 horas para que la radiación reflejada incida sobre el concentrador secundario, esto se puede lograr mediante un movimiento continuo o de a pequeños pasos.

La figura 10 representa el esquema completo del posicionador, el cual utiliza un PC que se comunica con un puerto paralelo un circuito de control y un motor PAP. También presenta un conjunto de corona y piñón de tipo basculante con un programa que realiza una vuelta cada dos minutos, el circuito de control utiliza una interfaz entre el puerto paralelo de la computadora y el motor PaP de tipo unipolar [10], [11]

10_Esquema_general_posicionador.jpg

Figura 10. Esquema general de posicionador.

En el mecanismo del concentrador solar de la figura 11, el motor PaP mueve un disco de 250 mm de diámetro por medio de una correa, que trabaja sobre el piñón dentado del motor; el tren de engranajes rectos de bronce, el conjunto de corona y piñón helicoidal sobre un lado de la corona que se encuentra montada con una biela de eje de rotación a 10 mm y que transmite el movimiento a la barra vinculada a los ejes de rotación horizontal de los espejos

11_Mecanismo_rotacion_espejo.jpg

Figura 11: Mecanismo para rotación espejo con motor paso a paso.

Diseño de una cámara de nubes.La nubosidad desempeña un papel predominante en la regulación de la cantidad de radiación solar que alcanza la superficie terrestre, existen diversos instrumentos que realizan observaciones de la distribución espacio-temporal de las nubes, como es el caso de la cámara de nubes cuyo núcleo es un ordenador de placa única de Raspberry Pi que sirve para la captura y posterior procesamiento de las imágenes sin necesidad de usar una computadora profesional. [12]

El sensor de la imagen de una cámara digital capta la luz que compone la imagen y la convierte en una señal, un sensor que monitorea y envía alarmas con la finalidad de evitar roturas en el equipo y una barra de obstrucción de la radiación solar directa que funciona con un motor PaP unipolar. La operación de la cámara, la captura de imágenes, su procesamiento y el envío se lo realiza utilizando un software y hardware libre, este tipo de dispositivo permite la determinación en forma objetiva de los porcientos de cielo cubierto por nubes, (Fig. 12)

12_Montaje_sistema.jpg

Figura 12. Montaje del sistema: a) Raspberry Pi; b) Cámara y lente “ojo de pez”; c) barra de obstrucción de la radiación solar directa; d) motor paso a paso; e) controlador del motor paso a paso; f) base de soporte de todo el sistema.

Control de coordenadas en XY de un mecanismo de motores PaP.

Desde tiempos remotos el hombre ha utilizado su ingenio para transformar un movimiento angular en un movimiento lineal por medio de diversos mecanismos. Un posicionador XYZ es un mecanismo en el que el eje Z se desplaza sobre un plano cartesiano XY para ubicar un punto, esto se lleva a cabo gracias a la ayuda de un motor PaP o servomotores en cada eje, por medio de un sistema de control de posición realizado por un sistema digital programable. [13].


La estructura utilizada para cualquier posicionador debe ser ligera, donde existen dos mecanismos, uno que corresponde al eje X y el otro al eje Y, el desplazamiento se hace por medio de un esparrago acoplado con un buje al motor PaP, además consta de un circuito de potencia utilizado para la activación de cada motor, una tarjeta controladora y un programa donde al ingresar dos valores numéricos mediante el teclado, se obtiene la respuesta en el movimiento de los motores que hacen desplazar las placas de X y Y (Fig. 13, y 14)

13_Posicionador_XY_tarjeta_electronica.jpg

Figura 13. Posicionador “XY” con tarjeta electrónica de control.

14_Posicionador_XYZ_maquina_CNC.jpg

Figura 14: Posicionador XYZ-Máquina CNC (Control Numérico Computarizado).

Tarjeta de control de motor PaP para prácticas de PLD

Para la realización de prácticas de PLDs (dispositivos lógicos programables) en [14] se desarrollo una configuración que permite el trabajo sobre circuitos de cierta complejidad y que se puede realizar utilizando motores PaP en modo unipolar con una tarjeta que incluye el algoritmo del control requerido con el circuito que se muestra en la Figura 15.

15_Conexion_motor_sensor.jpg


Figura 15. Conexión del motor- Sensor de posición.

Motor PaP utilizado en un espéctroradiómetro

En el esquema de la figura 16 se presenta un panel de prueba en una interfaz creada [15] para un espectroradiómetro, que constituye una máquina de tres ejes comandada por un control numérico para mejorar la calidad de pruebas de luminosidad, donde se le da un movimiento lineal sobre el eje Y con la finalidad de enfocar la cámara y realizar las mediciones en el punto que se especifica en los mapas de medición. Esto permite mejorar la medición de iluminación en diferentes áreas de las unidades de prueba cuando existen varios objetos a medir en espacios con amplio rango de luz hasta espacios con pequeñas áreas, para así tener una exactitud en los movimientos. El movimiento de los ejes de la máquina se produce con motores PaP controlados con un microcontrolador a partir de las instrucciones que el usuario ingresa a la interfaz

16_Panel_pruebas_motores.jpg

Figura 16. Panel de pruebas para motores.

El autor [16] realizó el diseño de un manipulador robot que se desempeña en situaciones inspiradas en tareas necesarias para la exploración planetaria, se realiza la simulación de un manipulador robótico de 5 grados de libertad diseñado con actuadores de motores PaP para que su programación y control sea más sencilla con el uso de Universal Robotic Description Format (URDF) y con apoyo del modelo en Solidworks. Otros de ejemplos de aplicaciones en robótica se pueden observas en los trabajos [17], [18]

17_Disenio_manipulador_robotico_URDF.jpg

Figura 17 Diseño del manipulador robótico en formato URDF.

4. CONCLUSIONES

· En la actualidad los motores PaP se utilizan en muchos dispositivos que requieren precisión en el control de movimiento y el posicionamiento preciso. Por ello se utilizan en aplicaciones que requieren un control exacto del desplazamiento, para dispositivos de posicionamiento con el uso de controladores y software adecuados.

· Estas máquinas también se utilizan ampliamente en unidades de disco de computadora, impresoras, escáneres, iluminación inteligente, para controlar lentes de cámaras, la posición de elementos de control en motores de combustión, en robótica, escáneres e impresoras 3D, trazadores XY y máquinas CNC.

· Las aplicaciones de motores PaP son hoy en día muy conocidas y fáciles de implementar por ello los vemos asociado a manejo de tarjetas Arduino y Raspberry Pi debido a una sus principales características de poder moverlos un paso a la vez por cada pulso que se le aplique.

· Otras de sus ventajas es que son ligeros, fiables y fáciles de controlar, pues al ser cada estado de excitación del estator estable, el control se realiza en bucle abierto, sin la necesidad de sensores de retroalimentación.

5. BIBLIOGRAFÍA

[1] Pérez P., A, Motores paso a paso. Introducción a su funcionamiento y control a lazo abierto. Vivat Academia. No17. 2000. Pp. 1-12

[2] Bertini, S., Roitman, J., Verrastro, C. Controlador de motores paso a paso mediante técnica de micropasos por modulación de ancho de pulso. [online] Pp.1-2. Disponible en: http://www.secyt.frba.utn.edu.ar/gia/SDC16.pdf

[3] Andrada, P., Castellana, F. and Perat, J. I. El motor de reluctancia auto conmutado. Una alternativa a tener en cuenta en la selección de los accionamientos eléctricos, Técnica Industrial Especial. Electricidad y Electrónica. 2004. Pp. 32–41.

[4] Quintero, E., Gallego H. and Orozco, H. Control de posición para un telescopio con motores paso a paso. Scientia Et Technica. 2008. Vol. XIV. No. 39

[5] Wolff, J., Gómez, G. El motor de reluctancia conmutado - Un motor eléctrico con gran par motor y poco volumen, Energía. No. 4. 1997. Pp. 1–8

[6] Castaños, S., Maixe, J. Dimensionado y diseño de un motor de reluctancia conmutado para una aplicación automotriz. Dyna, Nro. 181, 2013. Pp. 81-90

[7] Rocha, H. J., Tipanluisa E L., Reina W S. Ayabaca R., C. Evaluación del Sistema de Tracción en un Vehículo Eléctrico Biplaza de Estructura Tubular. Información Tecnológica Vol. 28. No. 2, 2017, Pp. 29-36

[8] Castaños, S., Maixe, J. Criterios de Diseño para un motor de reluctancia auto conmutada operando a 42V en una aplicación automotriz. Scientia et Technica. Vol. XIII. No 34. 2007.

[9] Andrada P., Torrent M., Blanqué B., Perat J. Accionamientos de Reluctancia Auto conmutados para Vehículos Eléctricos. Información Tecnológica-Vol. 16 N°5. 2005, Pp. 79-87.

[9] Sánchez, J., Andrada, P., Blanqué, B., Torrent, M. and Perat, J. Motor de reluctancia auto conmutado para aplicaciones tolerantes a fallas. Universidad Politécnica de Cataluña. 2000. https://www.aedie.org/9CHLIE-paper-send/246-sanchez.pdf

[10] Hoyos, D., Gea, M., Cadena, C., Echazú, R. Diseño y construcción de seguidores solares. Análisis y construcción. Revista Avances en Energías Renovables y Medio Ambiente. 2008. Vol. 12. Pp.71-77

[11] Hoyos, D., Moya T., Echazú, R., Hernández A. Sistema de control para el seguidor solar de un concentrador tipo Fresnel. Revista Avances en Energías Renovables y Medio Ambiente. 2009. Vol. 13. Pp.71-77

[12] Antuña S. J., Díaz J. N., Estevan, R., Frutos, A., Antuña M. J. Diseño de una cámara de nubes usando una Raspberry Pi. Óptica Pura Aplicada. Vol. 48. No 3, 2015. Pp.199-205.

[13] Humberto, R. and Sánchez, C. Control de coordenadas en XY de un mecanismo de motores a pasos y un micro controlador. Revista de Divulgación Científica. 2017. Vol.3 No. 2, pp. 12-30

[14] Artigas, J., Saenz, A., Barragán, L. Tarjeta de Control de motor paso a paso para prácticas de PLD. Congreso TAEE. Zaragoza. España. 1998. Pp. 61-66

[15] Hernández N. R., Méndez G. L., Rodríguez P. A., Quezada C. A. Interfaz en LabVIEW para el control de una máquina de tres ejes para el movimiento automático de un espectroradiómetro. Congreso Internacional de Investigación Academia Journals Hidalgo, México. 2020

[16] Mendoza V. G., Flores A. A. Diseño y simulación de un manipulador robótico de 5 GDL para rovers y otros vehículos menores según lineamientos del concurso European Rover Challeng. Revista UNIDA Científica, vol. 5, nro. 2, 2021, p. 55-62

[17] Pérez S. A. Programación, diseño y montaje de un robot móvil controlado por LIDAR y comandos de voz. Tesis de maestría. Ingeniería Mecatrónica. Universidad Politécnica de Valencia. España. 2021.

[18] Portero A., Lozano J., Salamanca S. Control de robot cartesiano mediante PLC S7-1200 de Siemens y Arduino para impresión 3D. Actas de las XXXIX Jornadas de Automática, Badajoz. 2018.